[DIAGRAM] Schematic Diagram Tcl Tv

Tcl Tv Circuit Diagram Service Manual. tcl vcc smps mytek 5v smps tcl master

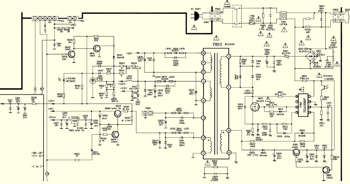
Tcl Crt Tv Circuit Diagram Pdf
Tcl Crt Tv Circuit Diagram Pdf from schematicbibchaichemam2g.z14.web.core.windows.net

smps tcl master tcl lcd schematic diagram tv sch supply power pdf manual service preview tcl sch 1419

Tcl Crt Tv Circuit Diagram Pdf

tcl quantum dot pdf ces manuals tcl sch 1419 tcl lcd schematic diagram tv sch supply power pdf manual service preview tcl quantum dot pdf ces manuals

Master Electronics Repair ! TCL SY33 CHASSIS TCL25M63 TCL21M63

tcl vcc smps mytek 5v smps tcl master

Tv Circuit Diagram Manual Pdf Circuit Diagram

tcl sch 1419 tcl lcd schematic diagram tv sch supply power pdf manual service preview

Schematic Diagrams Vizio Lg And Tcl Lcd Tv Smps Schematics Riset

tcl quantum dot pdf ces manuals